气动卡盘安全使用要求:
1、卡盘储存地应采取有效的防雨、防潮的措施,并且通风良好。
2、包装堆叠不得超过5层,定期检查包装状态。
3、详细阅读安装说明书后,在进入安装程序。
4、卡盘运转时禁止关闭气源或按动松开按钮,高速运转时关闭防护罩。
5、安装和拆卸卡盘时请关闭电源和气源。
6、卡盘在使用过程中转速不得超过规定的极限转速。
7、非专业人员不得擅自拆卸卡盘主要结构。
8、气管安装处禁止明火、热源等设施靠近。
注意事项
1、用户在遵守产品运输、保管、安装、调整、保养和使用规则条件下,如发现产品因制造质量问题不能正常工作时或在打开包装箱时发现产品已经损坏、附件与装箱单不符、短缺零件等情况,从收货日起一月内,请与我公司质量部联系,发来信息时请注意注明产品型号、规格、编号和出厂日期。
2、产品应在0°C~40°C的环境下安装和使用。
3、产品的安装使用,要求用户严格按照说明书的规定进行,如有疑问或对结构有改进意见,请函告我公司质量部。
主要特征和用途
LK系列气动卡盘综合手动卡盘和液压卡盘的特点,去劣存优,再按气压传动的特点进行研究设计而成。具有结构简单、安装方便、清洁耐用、夹持可靠、精度持久等优点,可为生产企业提高效率、降低成本、减轻劳动强度。 本产品主要用于车床、铣床、钻床、平磨及加工中心等场合夹持各类代加工零件,最适宜小批量及成批生产加工的机械零件。制作连接套(安装在车床上使用时适用,其他场合不需要)按车床上主轴的尾端尺寸加工连接套内孔,并按图加工6个螺钉孔后,方可进入安装程序。
制作连接套

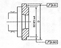
制作主轴法兰(安装在车床上使用时适用,其他场合不需要)
主轴法兰应按机床主轴前端部接口的形式(GB/T5900.1-5900.3)和所选卡盘的接口尺寸设计、制造,并达到下图的要求。连接螺栓要求使用8.8级或以上级别的内六角螺栓,并等力矩锁紧。(卡盘在其他场合使用或主轴上已经安装与气动卡盘相匹配的法兰时可省略该项程序)
